Fettec FC AIO 35A - N KISS Flight Controller – LJ Automotive

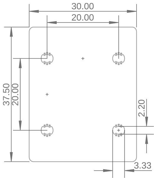
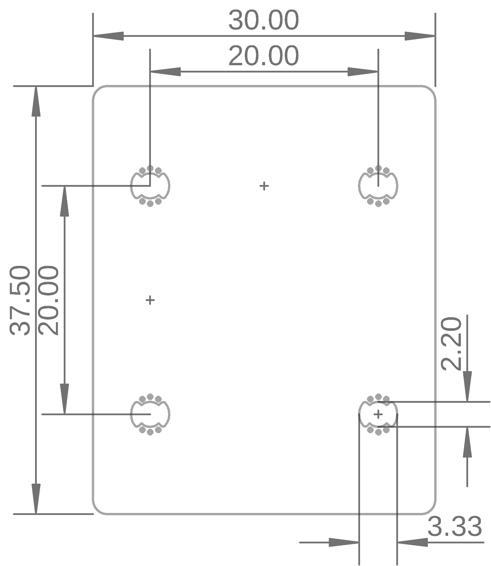
Fettec FC AIO 35A - N KISS Flight Controller

Fettec FC AIO 35A - N KISS Flight Controller

 

img

Added to cart successfully!